Carter Brothers hub

Edwin Spangler

Well-known member
Messages
763
Reaction score
748
Show us a picture.

EDIT: Nevermind. I see its a rare piece that someone would not need a picture of, if they were to have one for sale. Surprised nobody has come up with a DIY replacement yet.
 
Last edited:

Grizzlymi

Wolverine
Messages
1,124
Reaction score
818
Location
Michigan
I had the same hub on my Carter kart. Best bet is to use some steel hollow tubing, Make 4 lengths for the 4 sprocket bolts and one larger one for the center bolt. Just cut all to the right, same length. I've done this on a bunch of mini bikes for sprocket spacing. Last resort if you find one, which is unlikely. Wish I had computer skills to show a drawing of what I mean. lol.
 

Grizzlymi

Wolverine
Messages
1,124
Reaction score
818
Location
Michigan
Yeah, that sucks indeed. Always "that guy" that can help in a pinch, then he gets pinched! I'll try and dig up a pick of what I'm talking about, unless you get my idea.
 

Hellion

Moderator
Messages
8,292
Reaction score
3,467
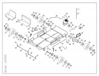
Part #24 - G222 Drive hub 1 3/8" bore (on the Red Talon). Seems to be a few different part numbers for this 'clover hub"
Screenshot 2025-08-21 at 9.29.02 PM.jpeg Screenshot 2025-08-21 at 9.29.23 PM.jpeg


Instead of must-have-original-parts, you might see what's available for regular one-wheel peel karts and minibikes. It's a drive wheel with an extended hub that will take a sprocket.

For example:

That☝️one is a tubeless rim which may be quite annoying if everything else is split-rim tube-type.
 

Hellion

Moderator
Messages
8,292
Reaction score
3,467
Keep your eye on that famous auction site, Failbook marketplace, craigslist and so forth for that Carter hub even if it is on a complete rolling chassis that's for sale. Buy the whole thing, buy it cheap and then wash/rinse/repeat. You're going to be the Carter Brothers Parts Guy, I hereby nominate you for the position. 😁

Take the hub off the kart and then resell what you don't use. Carter Brothers seems to have been quite a prolific manufacturer because I have seen more Carter karts on this site in the last year than any other brand (besides the broken Chinese buggies people ask about) so luck will be on your side. 🍀
 

Edwin Spangler

Well-known member
Messages
763
Reaction score
748
have been quite a prolific manufacturer because I have seen more Carter karts on this site in the last year than any other brand
It seems to me that they used some high quality material that out-lasted the competition. I had spots on the frame that had 1/8" of rot or more. I thought it would be fully rotten through. Cleaned that off, gave it the hammer/chisel test, structural integrity seems untouched. Everything seems like it had two layers of metal. The outer layer rots off but it seems to have left the inner, structural tubing intact. I wonder if its supposed to do that?

The stuff is a nightmare to drill though in some places also. I ruined two bits yesterday, oiling/cooling them the whole time.
 

Hellion

Moderator
Messages
8,292
Reaction score
3,467
How hard would it be to recreate these hubs out of melted beer cans? Have seen people on the tube with aluminum cans and a crucible sand casting the metal into ingots or other things.

I had the same hub on my Carter kart. Best bet is to use some steel hollow tubing, Make 4 lengths for the 4 sprocket bolts and one larger one for the center bolt. Just cut all to the right, same length. I've done this on a bunch of mini bikes for sprocket spacing. Last resort if you find one, which is unlikely. Wish I had computer skills to show a drawing of what I mean. lol.

Can you like, draw on a napkin with a sharpie and snap a pic with your hell phone? A perfect digitally rendered illustration is overkill.
 

Grizzlymi

Wolverine
Messages
1,124
Reaction score
818
Location
Michigan
How hard would it be to recreate these hubs out of melted beer cans? Have seen people on the tube with aluminum cans and a crucible sand casting the metal into ingots or other things.



Can you like, draw on a napkin with a sharpie and snap a pic with your hell phone? A perfect digitally rendered illustration is overkill.
Quick rendering of what I mean if drawing makes sense.
 

Attachments

  • IMG_2784.jpeg
    4.9 MB · Views: 11

Hellion

Moderator
Messages
8,292
Reaction score
3,467
Make sense?

Well there’s an area or areas on your drawing that are not described. To the extreme right, what is the structure? Looks like the side view of a disk brake rotor, or a two tier wedding cake…

How are the tubes held together?
 
Top